EN IEC 62680-1-2/-3是国际电工委员会(IEC)制定的关于USB接口的国际标准,旨在促进电子设备充电接口的统一化,特别是对USB Type-C接口和USB PD协议的支持,以减少电子垃圾和提高电子设备的互操作性。
总的来说,就是减少浪费和电子废物的产生,提高环保,减少碳排放。
执行日期
1、以下1.1 到1.12 所列的无线电设备在2024 年12 月28 日实施
2、笔记本电脑在2026年4月28日执行
适用产品范围识别流程
*只能通过无线电力传输的设备不适用。
适用产品目录
标准要求
1、EN IEC 62680-1-3:2022 “Universal serial bus interfaces for data and power – Part 1-3: Common components – USB Type-C® Cable and Connector Specification”。
Universal Serial Bus Type-C (USB Type-C) Functional Test Specification Chapters 4 and 5
不具备PD功能的无线电设备的端口必须满足以上标准的要求。
2、EN IEC 62680-1-2:2022 “Universal serial bus interfaces for data and power – Part 1-2: Common components – USB Power Delivery specification”。
USB Power Delivery Compliance Test Specification:
https://www.usb.org/document-library/usb-power-delivery-compliance-test-specification-0
具有PD功能的无线电设备需要满足上述2个标准的要求。
怎么判断设备是否需要满足PD 的要求呢?
有线充电的电压大于5V,电流大于3A 或者功率大于15W,就必须满足PD的要求。
注:短时稍微超过以上规格是可以忽略的。
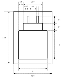
不带充电器销售的包装要求
注:
1. 经营者可以提供配充电器的无线电设备捆绑销售,同时也要给消费者提供不配充电器的相同无线电设备;
2. 以上图形可以在外观上有所变化(如颜色,实心或空心,线条粗细)只要保持可见和易读;
大小应根据以上比例调整,a的尺寸必须大于或等于7mm.
包装示例
包装要求2
不管无线电设备是否带充电器销售,都需要在包装中包含以下图形。
说明书要求
不管无线电设备是否包含充电器销售,都需要在说明书中包含以下图形。
注:
1. “XX”应该表示为无线电设备所需的最小功率,“YY”应该表示为无线电设备达到最快充电速度的所需的功率;“USB PD”是 (USB Power Delivery) 的缩写。(没有PD功能不写USB PD)
2.无线电设备附带的说明书中必须提供有关充电能力和兼容充电设备的规格信息。也可以采用QR或者其他电子显示的方式。
1、VIF文件,用于测试PD和Type-C function;
2、端子的测试报告;
3、说明书和外包装,注意前面提到的要求。

符合指令Directive (EU) 2022/2380 的产品上的Type-C 连接器应满足标准:EN IEC 62680-1-3,有以下两种参考解决方案:
(1)使用已经通过USB-IF 认证的Type-C 端子,并提供其TID 证书和对应的检测报告;
(2)提供Type-C 端子的第三方实验室的EN IEC 62680-1-3 检测报告。
| 检测中心 | 认证服务 | 新闻动态 | 关于东电 | 服务支持 | 联系我们 |
![]() |
业务咨询:(东莞)0769-38826677 总部电话:0769-3882-6678 传真:0769-3882-6679
邮箱:service@dgddt.com; Copyright © 2018-2019 http://www.dgddt.com 广东东电检测技术有限公司 版权所有 |
![]() |